Lidsjövägen 1

3335 32 Gnosjö

Tel 0370-332360

Fax 0370-332369

www.gnosjomaskin.se

info@gnosjomaskin.se

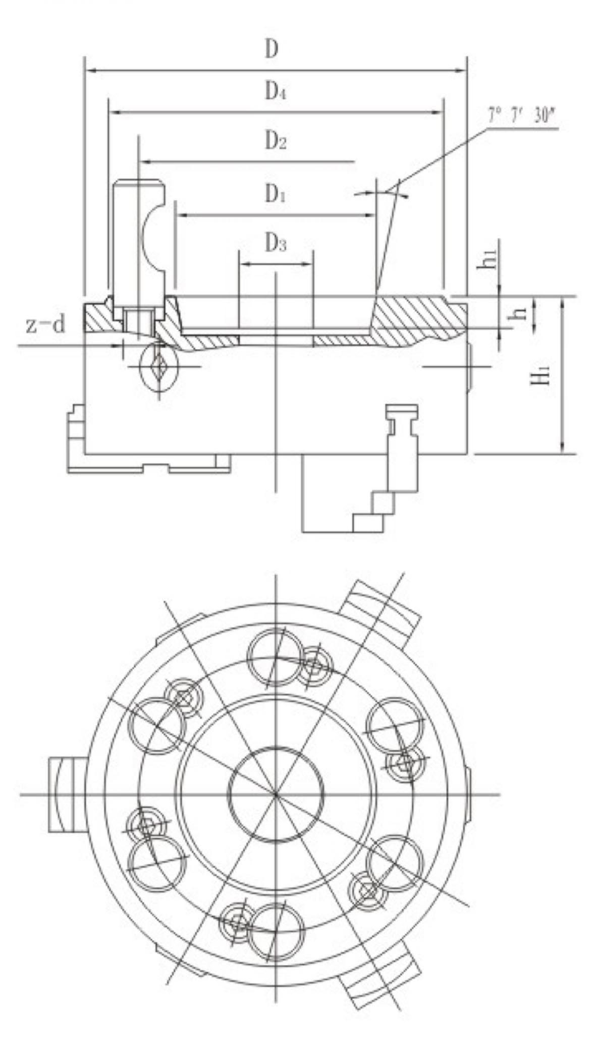
3-backschuck Ø250 mm D6

Pris exkl. moms:

5679

Finns i lager

Artikelkod 3BC250-D6

Skriv ut
Fabrikat Z. Yuanpai Vikt
Modell Storlek
Ser.nr. Skick
År Lev.kod

Tillbehör

Invändiga backar utvändiga backar chucknyckel camlock bultar M16x1,5 (6 st)

Specifikation

Diameter (D): 250 mm

Genomgångshål (D3): 70 mm

Höjd (H): 95 mm

Spindelnos: Camlock 6

Kona (D1): 106,375 mm

C/C mellan Camlock bultar (D2): 133,4 mm

Denna info är upprättad efter bästa förmåga - men är inte bindande i detalj. Samtliga priser är exklusive moms med reservation för pris-/valutaförändringar.